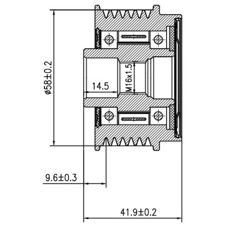
Шкив с обгонной муфтой генератора для автомобилей Hyundai i40 (11-)/Kia Sportage III (10-) 2.0i Характеристики: Артикул: SGP 1754 OEM номера: 37320-2E000, 373202B050, 2610524 Длина, мм: 41,9 Внутренний диаметр, мм: 14 Наружный диаметр, мм: 58 Количество ручьев: 6 Вылет шкива, мм: 9,6 Внутренняя резьба: M16x1,5 Количество на автомобиль: 1 Гарантия: от 1 года.
| Характеристики | |
| Вылет шкива, мм | 9,6 |
| Количество на автомобиль | 1 |
| Наружный диаметр, мм | 58 |
| Внутренний диаметр, мм | 14 |
| Длина, мм | 41,9 |
| Количество ручьев | 6 |
| Внутренняя резьба | M16x1,5 |
| Нал. | Срок | Цена | |
|---|---|---|---|
| STARTVOLT SGP1754 1 шт. | 2 дня | 120.90 р. | |