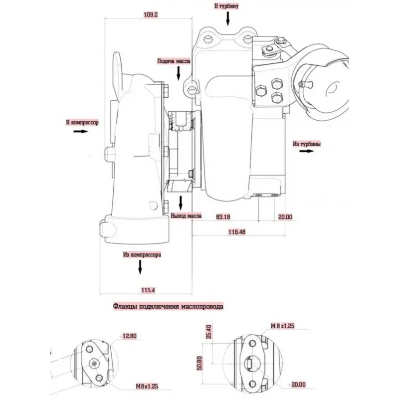
Турбокомпрессор для а/м MAN TGA (06-)/TGS (07-)/TGX (07-) [D2676] (тип GT3271D) Характеристики: Артикул: LAT 1227 OEM номера: 51091017230, 51091019230, 51091007970, 51091009970 Количество на автомобиль: 1 Применяемость: D 2676 Тип картриджа: GT3271D Подходит для авто: MAN TGS (07-), TGX (07-), TGA (00-) Для проверки применяемости отправьте VIN автомобиля через вкладку "Есть вопросы о товаре?" Комплектация: Турбокомпрессор Комплект прокладок - 5 шт Паспорт изделия Гарантия: от 1 года.
| Характеристики | |
| Количество на автомобиль | 1 |
| Применяемость | D 2676 |
| Тип картриджа | GT3271D |
| Нал. | Срок | Цена |
|---|