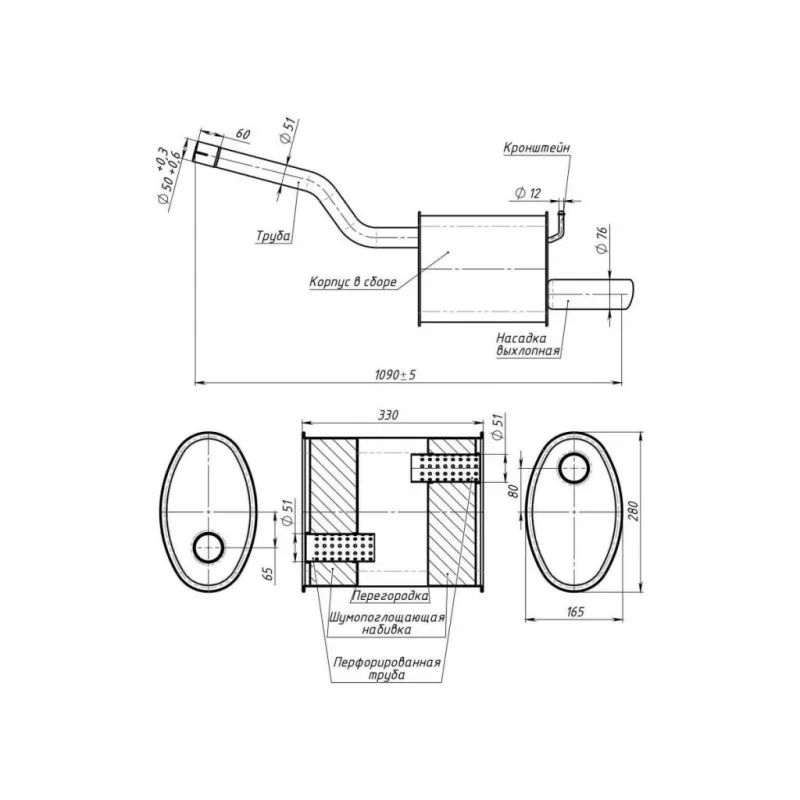
Глушитель для автомобилей VW Jetta (11-) 1.6i 16v CFNA основной (алюминизированная сталь) Характеристики: Артикул: EMM 1014 OEM номера: 1K0120J, 1K 0253411CN, 1K5253609A Количество на автомобиль: 1 Камеры корпуса: 3 Материал: Алюминизированная сталь Гарантийный срок: 2 года/60 тыс. Особенности конструкции:: Шумопоглощающая набивка E-GLASS Длина изделия (мм): 1090 Длина корпуса камеры (мм): 330 Форма изделия: Овал Диаметр перфор. трубы (мм): 51 Диаметр корпуса D-1 (мм): 280 Диаметр корпуса D-2 (мм): 165 Товарная линейка: BLACK Дополнительная информация: Этикетка изделия может отличаться от представленной на фото Сопутствующий товар: Глушители основные/глушители дополнительные (резонаторы): EAM 0394 Комплектация: Глушитель основной - 1 шт Гарантия: от 1 года.
Характеристики
Количество на автомобиль
1
Особенности конструкции:
Шумопоглощающая набивка E-GLASS
Дополнительная информация
Этикетка изделия может отличаться от представленной на фото