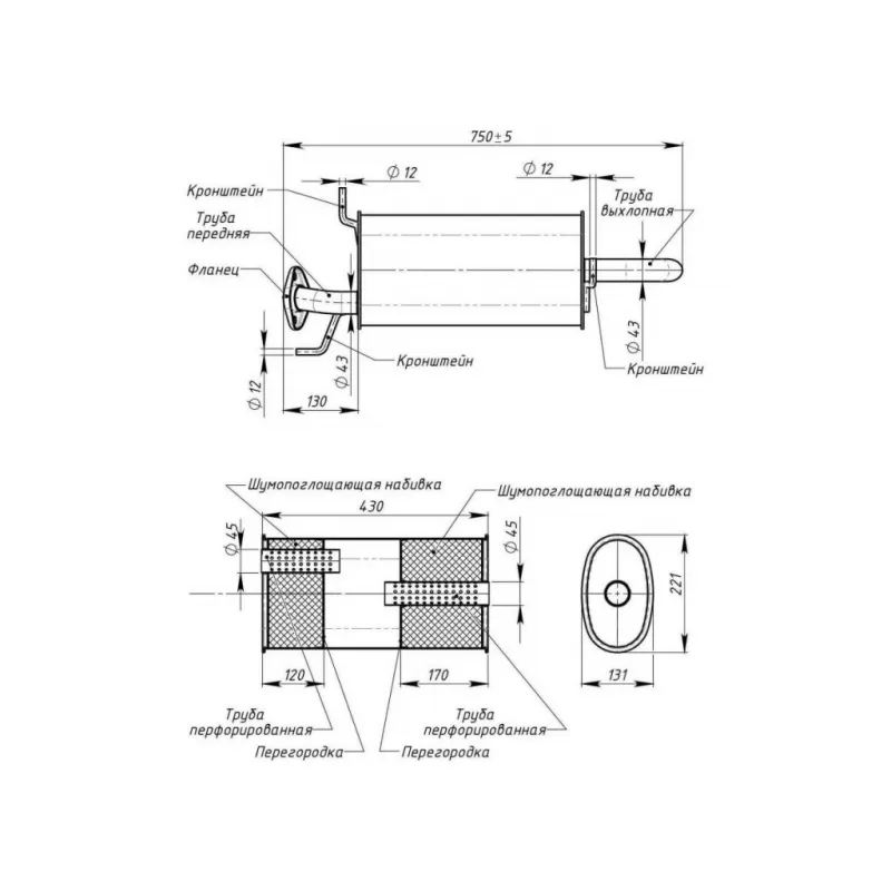
Глушитель для автомобилей Kia Spectra (00-) основной (алюминизированная сталь) Характеристики: Артикул: EMM 0802 OEM номера: 0K2AA40100E, 0K2NC40100A, 0K2N140100D, 0K2NC40100 Количество на автомобиль: 1 Камеры корпуса: 3 Материал: Алюминизированная сталь Гарантийный срок: 2 года/60 тыс. Особенности конструкции:: Шумопоглощающая ... Читать полностью →
Характеристики
Количество на автомобиль
1
Особенности конструкции:
Шумопоглощающая набивка E-GLASS
Дополнительная информация
Этикетка изделия может отличаться от представленной на фото
Глушитель для автомобилей Kia Spectra (00-) основной (алюминизированная сталь) Характеристики: Артикул: EMM 0802 OEM номера: 0K2AA40100E, 0K2NC40100A, 0K2N140100D, 0K2NC40100 Количество на автомобиль: 1 Камеры корпуса: 3 Материал: Алюминизированная сталь Гарантийный срок: 2 года/60 тыс. Особенности конструкции:: Шумопоглощающая набивка E-GLASS Длина изделия (мм): 750 Длина корпуса камеры (мм): 430 Форма изделия: Овал Диаметр перфор. трубы (мм): 45 Диаметр корпуса D-1 (мм): 221 Диаметр корпуса D-2 (мм): 131 Товарная линейка: BLACK Дополнительная информация: Этикетка изделия может отличаться от представленной на фото Сопутствующий товар: Глушители основные/глушители дополнительные (резонаторы): EAM 0802 Комплектация: Глушитель основной - 1 шт Гарантия: от 1 года.
Характеристики
Количество на автомобиль
1
Особенности конструкции:
Шумопоглощающая набивка E-GLASS
Дополнительная информация
Этикетка изделия может отличаться от представленной на фото