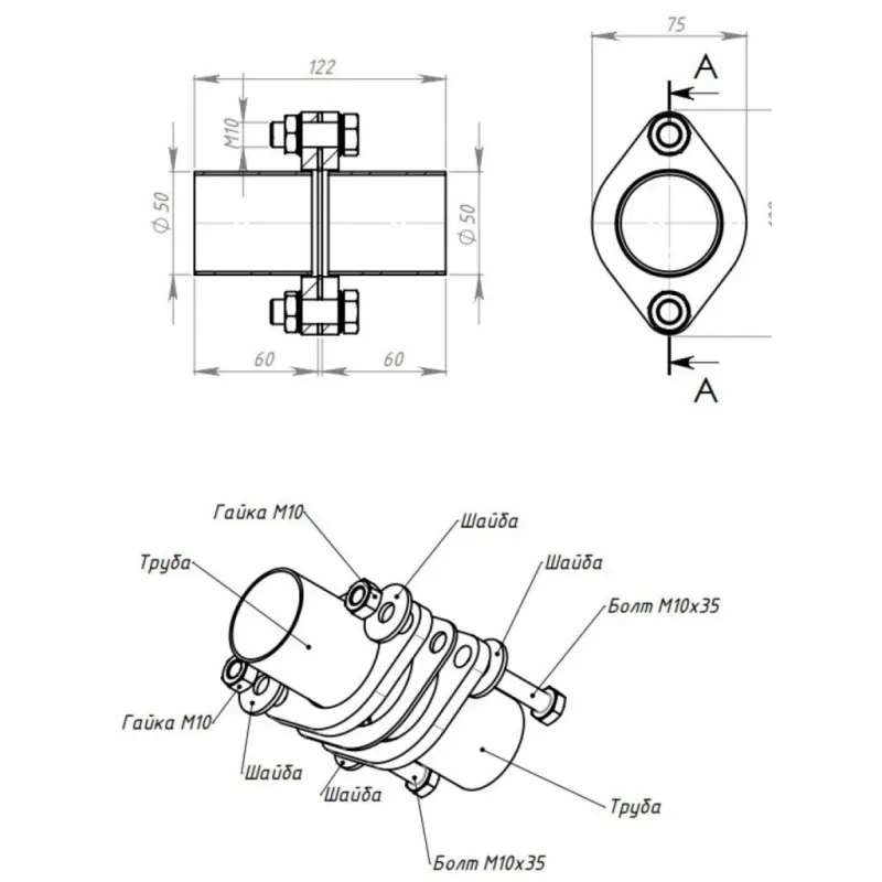
Фланец с трубой d=50, L=60 (алюминизированная сталь) Характеристики: Артикул: EMPF 5060 OEM номера: 2505147010, 1742022110, 1710422120, 1741022560, 171040D100, 174100D330, 28710-A0150, 28650-A0150, 28610-A0100, 28610-M0150, 28650-M0150, 28710-M0100, 28710-M0150, 8200916974, 8200906479, 200100277R, 8200916976, 200101KA0A, 203001KA0A, 201001KA0A, 2505147070, 20010JD000, 20100JD00A, 2851026430, 286101G300, 287001G300, 287301G400, 171040D031, 1741022310, 1743022320, 174022140, 174600D050, 1742022010, 1743022120, 174101A480, 1742016720, 174301D010, 1746022010, B08A0BM701, 200105M370, 20300BM500, 20100BM520, B08A0-AU000, 20010BN805, 20300BN800, 20300BN810, 20010BN815, 203005M770, 286102E150, 28950337630, 286502E170, 287001F120, 285102BPF2, 286102Y500, 286502Y500, 287003U500, 286102S100, 289602G900, 286502S100, 287002Y100, 286102S300, 286502S300, 287002Y300, 28610-2E100, 2895037630, 286502E151, 28700-2E151, 286502E651, 287002E350, 289902F000, 14002JD90A, 20010JD200, 20100BR20A, 1741037320, 1742037040, 1743037371, 2505126020, 1741026400, 1743026743, 2505126080, 1714137100, 1714037321, 1742037120, 1743037521, 2505126130, 1741026470, 2505128340, 1741028582, 1742028712, 1743037372, 20010JD20B, 208A0JG10B, 20010BR40A, 20100JD71B, 1583A028, 1570A519, MR552606, MR993500, 1570A842, 1570B175, 1571A703, MN156051, 52039793, 94763377, 94763374, 20010-95F0B, 2001095F0C, 20300-95F0D, 20300-95F0C, 20300-95F0F, 20100-95F0A, 20100-95F0D, 28990-2A690, 28990-2A830, 28610-A2800, 28600-A2870, 28600-A2800, 2001000Q1A, 20010-00Q1J, 20010-00Q1K, Z6Y32050XC, Z6682050XA, Z60440300B, 1K0254505RX, 1K0254511LX, 1K0253209EN, 1K0253209J, 1K5253609, 1K0254500BX, 28610-C9100, 28650-M0100, K0254510X, 1K0253209BJ, 1Z3253609AE, 1K0253209CS, 1K5253609E, 1Z0253609AE, 1KO254303NX, 1F0254401FX, 1K0253209K, 28510-2B420, 285102B460, 28610-1H000, 28700-1H000, 289402A780, 28610-2L510, 28950-2A630, 28700-1H500, 1570A743, 1570B110, 1571A930, 1J0254502QX, 1J0253209, 1J5253609C, 1570B161, 1570B443, 28510-22BIH0, 28610-1H150, 28700-1H370, 28700-1H170, 1741028551, 1742028470, 1743028720, 28610-C9200, 28610-M0200, 28610-M0250, 28710-M0200, 28710-M0250, 17410-0V390, 17420-0V340, 17430-0V340, 20010JG02A, 20100JG05A, 208A0JD50A, 20100JG70A, 18190r07e00, 18210-SWY-E11, 18160-R07-E00, 18220-SWY-E01, 18307-SWY-E01, 2851023820, 28610-2E100, 28950-23756, 28650-2E120, 28700-2E120, 28650-2E150, 28700-2E151, 17410-0H450, 17420-36120, 17430-36170, 1570A94, 1570A094, 1570A837, 1571A622, 140029Y920, 200108H70A, 200188H70A, 203008H31A, 201008H70A, 1742028320, 1743028510, 1K0254510X, 18160RZPG00, 18210SWWE01, 18210-S10A01, 18160-P3FG10, 18160PHKG00, 18220-S10A03, 18030-S10A00, MN180083, MN156565, MN180617, 1570B398, 1571B053, 357253409C Количество на автомобиль: 1 Гарантийный срок: 2 года/60 тыс. Длина изделия, мм: 122 Материал: 08ПС ОЦ Диаметр, мм: 50 Толщина стенок: 1.5 Товарная линейка: BLACK Дополнительная информация: Этикетка изделия может отличаться от представленной на фото Комплектация: Фланец с трубой - 1 шт Гарантия: от 1 года.
| Характеристики |
| Количество на автомобиль | 1 |
| Дополнительная информация | Этикетка изделия может отличаться от представленной на фото |
| Диаметр, мм | 50 |
| Гарантийный срок | 2 года/60 тыс. |
| Товарная линейка | BLACK |
| Длина изделия, мм | 122 |
| Толщина стенок | 1.5 |